现在是2026/4/28 17:30:59
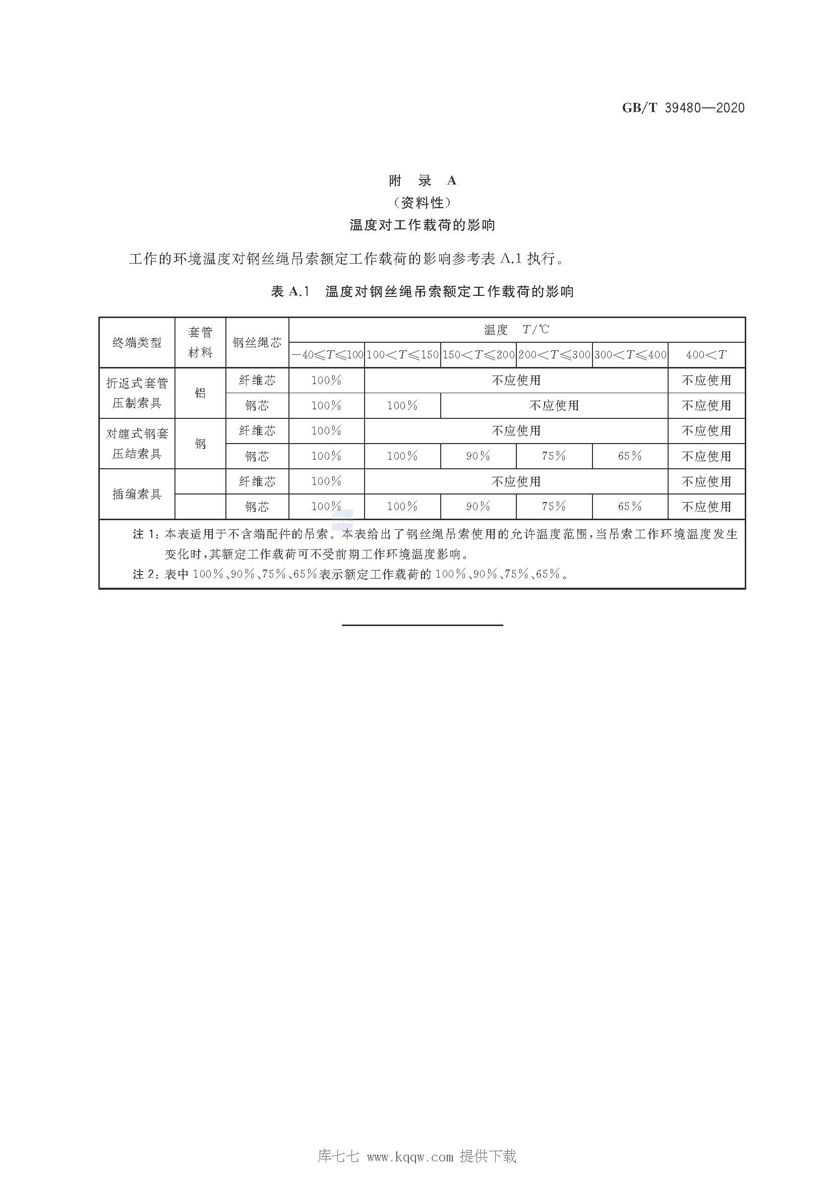
1.
版权所有@168飞行艇官方查询历史记录 备案号 陕ICP备63044146号
公司地址:西安经济技术开发区未央路136号东方濠璟商务大厦第21、22层
电话:029-86520095 传真:029-86520060 邮编:710016